Усилитель Шушурина (50 Вт/8 Ом)

  • Автор темы Автор темы LDS
  • Дата начала Дата начала
В своё время Дмитрий Андронников в статье по выбору ОУ для ЦАП приводил большое количество ОУ с реакцией входного каскада на синфазную помеху в зависимости от реального уровня входного сигнала и нелинейных искажениях при этом. Его рекомендации были всегда одни и те же, полевые транзисторы во входном дифкаскаде.
 
такие параметры как Кг и ИМИ не говорят о качестве звука
Лютый бред.
звукорежиссёрами полностью подтверждаемый, одобряемый и отстаиваемый:
отсебятина в усилителях - это вполне себе измеримые искажения,
а прозрачность - этих измеримых искажений отсутствие.
Ещё раз напомню: две фирмы, производящие студийное оборудование, сходу, без рассмотрения схемы, отказались от повторителя с вот таким спектром:

167863534878594333.png



только потому, что они достигнуты без применения общей ООС.

Итаг, есть два течения:
европейское тупорылое, низкоконечное, безООСное и низколинейное,
американское, высокотехнологичное, глубокоООСное, сверхлинейное.
Мы тут, со звукорежиссёрами, топим за второе, а сторонники первого ничем материальным свой гнусный бред подкрепить не могут.
 
Последнее редактирование:
Его рекомендации были всегда одни и те же, полевые транзисторы во входном дифкаскаде.
У полевиков от синфазки меняется ёмкость Ссз, весьма большая исходно - порядка 20 пФ,
а у БТ меняется ток коллектора вследствие эффекта модуляции ширины базы.
Потому как полевики, так и биполяры, вносят искажения от синфазки.

Если же синфазное входное напряжение суммируется с высоким выходным сопротивлением источника сигнала, вследствие этого:
1. Для ПТ работает нелинейный делитель Rвых.ист/Ссз(нелинейное).
2. Для БТ - как упомянутый выше нелинейный эффект Эрли, так и падение напряжения от протекания по Rвых.ист искажённого (вследствие отработки ВСЕХ искажений усилителя) тока базы входного транзистора.

Оба эффекта искажают сигнал ещё до попадание его в собственно усилитель и ООСными средствами неустранимы.

Потому выход только такой:
1. Для ПТ - слежение, для нивелирования абсолютных величин изменения Uсз и Ссз.
2. Для БТ - а) слежение, для уменьшения изменений Uкб, б) установка перед входным каскадом повторителя, для уменьшения искажённого входного тока.

Это - истина в самой крайней инстанции,
потому доказательно и результативно опровергнуть её невозможно.
Только следовать ей.

Что касаемо Андронникова: да, автор маститый.
Напомните мне, пожалуйста, какие усилители с Кг/Кими менее 0,000. он спроектировал?
 
Последнее редактирование:
1708009184022.png

Наиболее близкая к реальности модель К544УД2. Смысл хорошей модели - именно в хорошем отражении тонких эффектов нелинейности, чтобы с ними можно было работать.

ОУ включен повторителем, что ослабляет все источники нелинейности, кроме входных. Сопротивление Rвых.ист моделируется R29, и меняется от 1 Ома до 100 кОм.

1708009470126.png


Искажения во втором случае растут на 20 дБ.
Это потому,что у полевых большое вх.сопр. и они практически не вмешиваются во взаимодействие входного и ООСного сигнала
 
Но одновременно, Вы в обязательном порядке рекомендуете фильтр на входе усилителя.
???
Нет. Никто не будет никаких фильтров рекомендовать.
Просто фильтр- часть схемы. Вы , товарищ, воду из реки как пить будете, фильтровать и кипятить, или просто как поросёнок- прям так?
 
Но одновременно, Вы в обязательном порядке рекомендуете фильтр на входе усилителя.
???
Конечно. Усилитель - машина принципиально нелинейная. Нелинейность можно уменьшить, избежать её - невозможно. В частности, усилитель перемножает меж собой все поступающие как на вход, так и с выхода, сигналы. Потому, чем уже полоса обрабатываемых им сигналов, тем меньше и продуктов их интермодуляции, а чем больше помех мы в него напихаем снятием фильтров, тем больше всяких прикольных интермод услышим.

Помнишь свист при перестройке КВ-приёмника? - эт интермоды. Хочешь такое - сними фильтра.
Донье Розе д"Альвадорес можно рекомендовать снять масляные и воздушные фильтры хотя бы со своего дырчика.
 
В частности, усилитель перемножает меж собой все поступающие как на вход, так и с выхода, сигналы........Помнишь свист при перестройке КВ-приёмника? - эт интермоды.
Согласно твоего примера, любой усилитель, только свистеть и будет, на реальном музыкальном сигнале.
 
чем уже полоса обрабатываемых им сигналов, тем меньше и продуктов их интермодуляции, а чем больше помех мы в него напихаем снятием фильтров, тем больше всяких прикольных интермод услышим.
Согласно твоего примера, любой усилитель, только свистеть и будет, на реальном музыкальном сигнале.
Совершенно ли вы уверены, что правильно помните смысл моих слов?
В симуле можно легко и предельно адекватно железной реальности глянуть, растут интермоды 19+20к от предлагаемых решений, или падают.
 
Радио номер 6-1978, на металл. п307, 2т208, 2т602, 2т801, 2т903 не променяю.
 
а вот что на первом ватте у него. Точнее на 2ваттах. 0.00017% на 20 кгц на 8 ом . На 4 ома Кг в два с половиной раза выше . Выходной каскад двойка , модели от Корделла поставлены
Хочу попробовать собрать ТРГ к вашей схемке УП, какую можете порекомендовать схемку?

Радио номер 6-1978, на металл. п307, 2т208, 2т602, 2т801, 2т903 не променяю.
А какие тогда применяете, можно поинтересоваться? Шушурина собираете по оригинальной схеме из Радио или в схему внесли какие-то изменения, может как-то её улучшили? И какие можете дать рекомендации по сборке схемы?
 
Класс В, позже АВ, все по схеме.
 
Усилитель предварительный
 
Я тебе выражаю просто неимоверное сочувствие. За исключением КТ602, всё остальное - гуано мамонта. Ты делаешь себе горе.
Ща погодь. Робертыч тебе ещё выложит хорошую схему Крылова.
 
Усилитель предварительный
Если к моему , то только так.Первым идет дискретный регулятор уровня на качественном переменнике или ,что лучше , ступенчатый на качественном переключателе на несколько положений, потом идет предусилитель и только потом регулятор громкости с тонкоррекцией . Это единственно правильное решение. Лучше его в вашем случае на 157уд2 сделать

Я тебе выражаю просто неимоверное сочувствие. За исключением КТ602, всё остальное - гуано мамонта. Ты делаешь себе горе.
Кроме КТ208М . Остальное не стоит внимания.

Вот.Лучше конечно умощнить, тогда бы любые сдвоенные вшивые работали как дорогие оу
Предусилитель васильев полный.PNG

У меня кт940 там стоят. Все лучше кт815. А так любые в ТО126
офф уже обсуждали. в моей теме по телефоннику сей вопрос.
Самые доступные были . Лучше С3229 и можно тока добавить.
Предусилитель васильев полный.PNG
 
Последнее редактирование:
У меня кт940 там стоят. Все лучше кт815. А так любые в ТО126
офф уже обсуждали. в моей теме по телефоннику сей вопрос.
Спасибо за схему. Можно ли 22кОм заменить на 47коМ? А то у меня нет на 22кОм.
 
Спасибо за схему. Можно ли 22кОм заменить на 47коМ? А то у меня нет на 22кОм.
можно , надо лишь пересчитать резисторы и конденсаторы. Чуть пределы регулировки громкости увеличил
ТКРГ Сухова 47ком.PNG

удачи. Одна особенность у активных РГТК. До нуля не регулируют
 
Последнее редактирование модератором:
Бозе-бозе, что они вытворяют?!
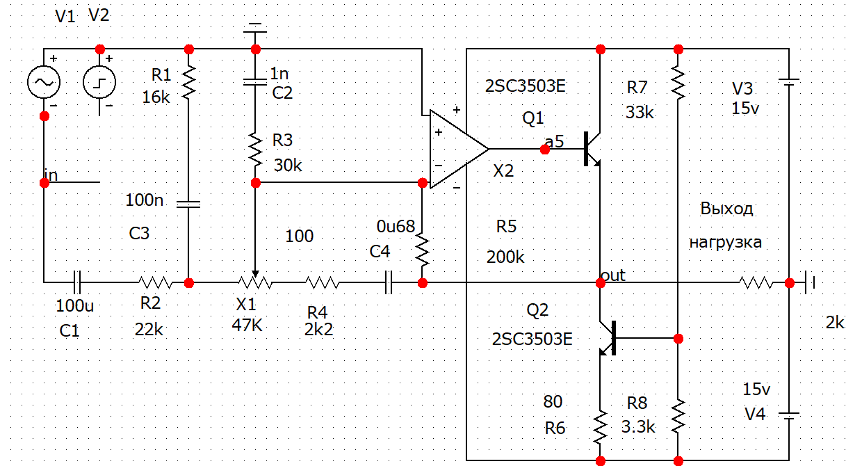
КТ940, КТ9115, 2ЫС3502 и 2ЫФ1380 - это всё высоковольтные транзисторы для раскачки катодов кинескопов, и при Укэ менее 8 В они работают преотвратно - они неуправляемы из-за эффекта квазинасыщения. По-иному: из выходного напряжения ОУ в 12 В ампл применение ВВ-транзисторов вычитает 8 В, оставляя 4 В неискажённого сигнала, а при более высоких выходных напряжениях вполне возможет возникнуть и возбуд.

Хотя, в повторители вполне хватило бы каких-то высокочастотных транзисторов средней мощности, и искажений бы не возникло до тех же 11 В: 12 В минус Убэ повторителя.

По той же самой причине указанные транзисторы непригодны в Шушу без изменения схемы: на выходных напряжениях
Упит минус 8 В
они внесут искажения порядка 0,03%, а то и весь усь может буднуться.

Это именно тот способ, каким нерусь испоганила мою схемную идею и в таком виде продаёт её на Паяле:

1708265903588.png


Глядя на то, как прилепили С10, я всегда дико умиляюсь.
 
Последнее редактирование:
Бозе-бозе, что они вытворяют?!
КТ940, КТ9115, 2ЫС3502 и 2ЫФ1380 - это всё высоковольтные транзисторы для раскачки катодов кинескопов, и при Укэ менее 8 В они работают преотвратно - они неуправляемы из-за эффекта квазинасыщения. По-иному: из выходного напряжения ОУ в 12 В ампл применение ВВ-транзисторов вычитает 8 В, оставляя 4 В неискажённого сигнала, а при более высоких выходных напряжениях вполне возможет возникнуть и возбуд.
Хотя, в повторители вполне хватило бы каких-то высокочастотных транзисторов средней мощности, и искажений бы не возникло до тех же 11 В: 12 В минус Убэ повторителя.
По той же самой причине указанные транзисторы непригодны в Шушу без изменения схемы: на выходных напряжениях
Упит минус 8 В
они внесут искажения порядка 0,03%, а то и весь усь может буднуться.
Это именно тот способ, каким нерусь испоганила мою схемную идею и в таком виде продаёт её на Паяле:
Глядя на то, как прилепили С10, я всегда дико умиляюсь.
А вот раз критикуешь, посоветуй чем заменить 5401/5551?
 
отлично они там работают при таком токе покоя. Хотя разве я против низковольтовых с малой емкостью переходов , как у 940 , транзисторов в корпусе ТО126 .
 
А как, и куда надо правильно?
Дык, ровненько надо и попендикулярно, раздвинув детали для понимаемости чертежа.
А то скукожил схему в комок: читайте, не обляпайтесь.
 
отлично они там работают при таком токе покоя. Хотя разве я против низковольтовых с малой емкостью переходов , как у 940 , транзисторов в корпусе ТО126 .
Я применил в вашем УП (Васильева) КТ3102ГМ, нормально работают
 
посоветуй чем заменить 5401/5551?
Там не транзисторы менять надо, а схему:
устроить питалово УН на 15 В выше питалова ВК, чтобы транзисторы УН не влезали в режим Укэ<8 В,
а во избежание искажений от эффекта Эрли на эмиттерных резисторах 14 и 16 в ОБ и ГСТ должно падать хотя бы 100Uт = 2500 мВ, но не нищенские 600 мВ.

2. Схема УМЗЧ ВВС-2011.GIF


См. R24R26, и, особенно, значения опорных напряжений на базах Т3 и Т5, сравни с нерусевскими 1,2 В.
 

Вложения

  • УП Васильева Собирал по этой схеме.png
    УП Васильева Собирал по этой схеме.png
    496.3 KB · Просмотры: 172
ну тут тока мизер. Первый вариант
 

Последние сообщения

Статистика форума

Темы
3,334
Сообщения
268,209
Пользователи
2,564
Новый пользователь
HOlg
Назад
Сверху Снизу