Германиевые УНЧ

Динозавр

1 ранг
Регистрация
31 Янв 2023
Сообщения
2,929
Реакции
865
Репутация
52
Страна
Россия
Город
станица Пашковская
Имя
Александр
Предупреждений
3
Регистрация
12 Ноя 2019
Сообщения
28,303
Реакции
13,620
Репутация
395
А если в плечи поставить разные транзюки (предполагаю, что вниз-высокочастотный)))
Ваша идея- выстрелила!
Итак, в верхнем плече схемы Худа с током 0,6А -П 215, в нижнем ГТ906А.
До сотни кГц влегкую добежали , меандр на 100кГц красава, есть зубчики наверху на фронтах, а так все просто шикарно, ток покоя с ростом частоты не растет, 215-й раскалился, еще бы не раскалиться. без радиатора и на воздухе))))
В общем, схемка пашет на всяком мусоре и винегрете из него. Главное- знать, кого и куда поставить.
щас прикручу 215й на радиатор, чтобы жизнь ему облегчить. И продолжим опыты
 

АВК

2 ранг
Регистрация
13 Ноя 2023
Сообщения
827
Реакции
63
Репутация
11
Возраст
67
Город
культурная столица Поволжья
Имя
дядя АЛЕКС
Ну кась.
Расскажите, я попробоваю вдреннить в схему.)
ну это Вы знали, просто забыли...

И так - квазикомплементарные искажения компенсируются по крайней мере 2 способами.
1) диодом Баксандала
2) как у Беслика - локальная ООС в Шиклаи. Там эмитер и коллектор приходят на 1 ом сопротивление.
И здаётся мне, что решение Беслика предпочтительней.

Да, и я прямотаки УДИВЛЁН героичсской работой П215 с описываемых экспериментах.
 

М.Васильев

1 ранг
Регистрация
25 Янв 2022
Сообщения
2,297
Реакции
697
Репутация
54
Возраст
68
Страна
Россия
Город
Пестово
Имя
Максим
ну это Вы знали, просто забыли...

И так - квазикомплементарные искажения компенсируются по крайней мере 2 способами.
1) диодом Баксандала
2) как у Беслика - локальная ООС в Шиклаи. Там эмитер и коллектор приходят на 1 ом сопротивление.
И здаётся мне, что решение Беслика предпочтительней.

Да, и я прямотаки УДИВЛЁН героичсской работой П215 с описываемых экспериментах.
Диод Баксанала увеличивает искажения ,но симметрирует ВК. Пора бы знать
 

Святослав_

1 ранг
Регистрация
10 Июн 2021
Сообщения
7,351
Реакции
3,802
Репутация
167
Страна
Україна
Город
Бердянськ
Предупреждений
1
дык нету...
П605 слабоваты и очень капризные. И всего у меня 4 штуки. А вдруг погорят...

А про серию П213-217 я сам читал, что они и 22 кгц выдают. Если их разкочегарить предварительными ВЧ транзисторами. Люди делали и замеряли.
А вот если - я так думаю, хотя схем подоных не видел, так вот если приделать конденсаторик параллельно термокомпенсации - в базы предоконечников, то этот конденсатор будет ускорять закрытие закрываемого транзистора ВК, тем самым уменьшая, а может и вовсе устраняя сквозной ток.
Будет ускорять, но не настолько радикально, как хотелось бы.
Устранить "сквозняк" просто. Или ставить мгновеннаю защиту по току, притом каждого плеча, или использовать их в схеме цирклотрона - там сквозной ток не возникает.
Есть и другие схемы без "сквозняков".

Про использование транзисторов вместо диодов - диоды ''самодостаточные'', им если и надо ''радиатор'', то маленькую пластинку.
А, к примеру, П216 просто так диодом не поставишь - сгорит. Радиатор ему надо приличный.
И того поиски радиаторов и МЕСТА для них.
Диоду то надо 2 кв см.
Транзистор диодом, потребует точно такого же радиатора, как и диод.
Потому как работает в том же режиме.
 

Динозавр

1 ранг
Регистрация
31 Янв 2023
Сообщения
2,929
Реакции
865
Репутация
52
Страна
Россия
Город
станица Пашковская
Имя
Александр
Предупреждений
3
Есть другие способы симметрирования квазикомплементара-диод Шоу, дополнительный транзистор
Перед парой Шиклаи, последовательный диод там же.
 
Последнее редактирование:

Святослав_

1 ранг
Регистрация
10 Июн 2021
Сообщения
7,351
Реакции
3,802
Репутация
167
Страна
Україна
Город
Бердянськ
Предупреждений
1
Таблица беты при статье о "Худе" подсказывает, что симметризации можно добиться разными величинами беты в плечах, и, наверное, слегка разными величинами резисторов в эмиттерах ВК.
Все при тех же марках транзисторов ВК.
 

АВК

2 ранг
Регистрация
13 Ноя 2023
Сообщения
827
Реакции
63
Репутация
11
Возраст
67
Город
культурная столица Поволжья
Имя
дядя АЛЕКС

Вложения

  • IMG_20231214_205542.JPG
    IMG_20231214_205542.JPG
    13.6 KB · Просмотры: 139

М.Васильев

1 ранг
Регистрация
25 Янв 2022
Сообщения
2,297
Реакции
697
Репутация
54
Возраст
68
Страна
Россия
Город
Пестово
Имя
Максим
симметрирует и тем самым снижает искажения.
нет.Эмиттеры фазоинверсного каскада конденсатором 10нф-100нф соедините . Кстати диод открытый должен быть
 

АВК

2 ранг
Регистрация
13 Ноя 2023
Сообщения
827
Реакции
63
Репутация
11
Возраст
67
Город
культурная столица Поволжья
Имя
дядя АЛЕКС
Будет ускорять, но не настолько радикально, как хотелось бы.
Ну так, если к примеру П215 РАБОТАЕТ на 22кгц, но греется.
то применение конденсатора, параллельного термокомпенсации - улучшит его работу, станет только лучше по ''перегреву'' и несколько лучше по искажениям.

нет.Эмиттеры фазоинверсного каскада конденсатором 10нф-100нф соедините . Кстати диод открытый должен быть
делают не эмитеры, а базы. Емкости ставят в зависимости от входного сопротивления каскада - от 0,1мкф и до 200 мкф электролитом

Так а какой комментарий будет к тому, что малая локальная ООС у Беслика ЛУЧШЕ диода Баксандала ?
 

М.Васильев

1 ранг
Регистрация
25 Янв 2022
Сообщения
2,297
Реакции
697
Репутация
54
Возраст
68
Страна
Россия
Город
Пестово
Имя
Максим
делают не эмитеры, а базы. Емкости ставят в зависимости от входного сопротивления каскада - от 0,1мкф и до 200 мкф электролитом

Так а какой комментарий будет к тому, что малая локальная ООС у Беслика ЛУЧШЕ диода Баксандала ?
Опять неправильно.
 

Вложения

  • квази просто квази.PNG
    квази просто квази.PNG
    20.1 KB · Просмотры: 139

АВК

2 ранг
Регистрация
13 Ноя 2023
Сообщения
827
Реакции
63
Репутация
11
Возраст
67
Город
культурная столица Поволжья
Имя
дядя АЛЕКС
Народ требует правды. держите.
Значит так. В утреннем Ашнике на ГТ906А, бегущем по волнам до 300КГц с меандром, похожим на меандр еще на 200кГц, парочка из П215 добежала синусом на полной мощности до 5 кгц, дальше нижняя полуволна стала заостряться , а меандр ужиматься нижней штакетиной. До 20 Кил со спадом как-то доехали, роста сквозного тока не выявлено, просто падает усиление и синусоида вырождается в пилу.
Вывод такой. Покатит в Ашнике, даже на таком навозе. Лишь бы радиаторы позволяли.
Слушать нет настроения, вы уж сами ка-нибудь... Играть будет. не будь я АБ.
а Вы расширить эксперимент сможете ?
А то народ требует правды.
Вот про ЛУЧШИЙ из линейки П215 мы от Вас узнали.
А вот как обстоят дела с ХУДШИМ из линейки П216?
 
Регистрация
12 Ноя 2019
Сообщения
28,303
Реакции
13,620
Репутация
395
Опять неправильно.
Диод Баксандалла нужен чтобы обмануть драйвер, подсунув ему одинаковое число переходов в плечах вых каскада, от выхода драйвера до выхода усилителя. А поскольку падение на диоде чуток выше. чем на переходе база-эмиттер, диод шунтируется резистором, уравнивающим. Такое мое глупое мнение дилетанта.

а Вы расширить эксперимент сможете ?
А то народ требует правды.
Вот про ЛУЧШИЙ из линейки П215 мы от Вас узнали.
А вот как обстоят дела с ХУДШИМ из линейки П216?
счас глянем с 216-м. кажись был
 

АВК

2 ранг
Регистрация
13 Ноя 2023
Сообщения
827
Реакции
63
Репутация
11
Возраст
67
Город
культурная столица Поволжья
Имя
дядя АЛЕКС
Опять неправильно.
странная однако схема у Вас...
Есть искомый конденсатор в базах предоконечников, даже пара.
Жаль нет номиналов и выводов - что они дают.

И есть описанный Васм кондёр с странным включением... Я не могу догадаться, что он дает

И зачем вокруг вначале упоминаемого конденсатора ещё конденсаторы на массу ?

И опять молчание насчёт каскада из схемы Беслика
 

М.Васильев

1 ранг
Регистрация
25 Янв 2022
Сообщения
2,297
Реакции
697
Репутация
54
Возраст
68
Страна
Россия
Город
Пестово
Имя
Максим
Именно так. Меж базами будет хороший бабах
И опять молчание насчёт каскада из схемы Беслика
Схемы Беслика меня не интересуют
 

АВК

2 ранг
Регистрация
13 Ноя 2023
Сообщения
827
Реакции
63
Репутация
11
Возраст
67
Город
культурная столица Поволжья
Имя
дядя АЛЕКС
Максиме, перенесіть того конденсатора між бази вихідної пари. Пізнаєте багато нового ;)
так вроде так нельзя - меж базами транзисторов С ОДИНАКОВОЙ ПРОВОДИМОСТЬЮ

Я видел только на - с разной структурой.
 

М.Васильев

1 ранг
Регистрация
25 Янв 2022
Сообщения
2,297
Реакции
697
Репутация
54
Возраст
68
Страна
Россия
Город
Пестово
Имя
Максим

АВК

2 ранг
Регистрация
13 Ноя 2023
Сообщения
827
Реакции
63
Репутация
11
Возраст
67
Город
культурная столица Поволжья
Имя
дядя АЛЕКС
Именно так. Меж базами будет хороший бабах

Схемы Беслика меня не интересуют
меж КАКИМИ базами - бабах?

Я не про ВСЮ схему Беслика спросил, а только про то, что он ПЕРЕделал у Шиклаи
Так можете прокомментировать это схемное ухищрение?
 

Святослав_

1 ранг
Регистрация
10 Июн 2021
Сообщения
7,351
Реакции
3,802
Репутация
167
Страна
Україна
Город
Бердянськ
Предупреждений
1
Ну так, если к примеру П215 РАБОТАЕТ на 22кгц, но греется.
то применение конденсатора, параллельного термокомпенсации - улучшит его работу, станет только лучше по ''перегреву'' и несколько лучше по искажениям.
Хотя бы чуть увеличьте резисторы в эмиттерах. и будет еще лучше.
И по полосе, и по искажениям.

А почему забыты П217?
 
Регистрация
12 Ноя 2019
Сообщения
28,303
Реакции
13,620
Репутация
395
а Вы расширить эксперимент сможете ?
А то народ требует правды.
Вот про ЛУЧШИЙ из линейки П215 мы от Вас узнали.
А вот как обстоят дела с ХУДШИМ из линейки П216?
Нет 216-го, взял 217й, то же самое. Внизу ГТ 906- бежит за сотку килогерц, меанд красавец. Стоило внизу поставить 214-й , как уже на 12-15 кгц меандр уродуется, на 20 и выше вырождается в расческу, синус валится уровнем, потом пила .
В общем, кто внизу, тот и царь горы. Кто наверху- неважно.
Нужно учесть, что в моей схемке есть резистор по питанию, аж 20 Ом, не дает взлететь току покоя, в случае сквозного тока, например. И что было бы с АВшником - не знаю.
 
Последнее редактирование:

АВК

2 ранг
Регистрация
13 Ноя 2023
Сообщения
827
Реакции
63
Репутация
11
Возраст
67
Город
культурная столица Поволжья
Имя
дядя АЛЕКС
Расширять кругозор надо .
надо, потому и спрашиваю.

В тырнете ответов на вопросы практически не найдёшь.
Пробовал.

Вот даже про конденсатор что параллельно термокомпенсации ставят.
Ну я нигде ТЕОРИЮ про него не нашёл.
Даже его имя собственное, ну по типу ''диод Баесандала'', нигде не нашёл.
Может подскажите ответы ?
 

М.Васильев

1 ранг
Регистрация
25 Янв 2022
Сообщения
2,297
Реакции
697
Репутация
54
Возраст
68
Страна
Россия
Город
Пестово
Имя
Максим
надо, потому и спрашиваю.

В тырнете ответов на вопросы практически не найдёшь.
Пробовал.

Вот даже про конденсатор что параллельно термокомпенсации ставят.
Ну я нигде ТЕОРИЮ про него не нашёл.
Даже его имя собственное, ну по типу ''диод Баесандала'', нигде не нашёл.
Может подскажите ответы ?
Что там подсказывать то? Борьба с возможной генерацией термодатчика. И все
 

Динозавр

1 ранг
Регистрация
31 Янв 2023
Сообщения
2,929
Реакции
865
Репутация
52
Страна
Россия
Город
станица Пашковская
Имя
Александр
Предупреждений
3
как обстоят дела с ХУДШИМ из линейки П216?
Здесь была схема стенда из 1968 г. для оценки частотных свойств транзисторов и таблицы результатов. Короче, есть среднее по больнице, а есть параметры конкретного экземпляра - результат может удивить:)
 

Святослав_

1 ранг
Регистрация
10 Июн 2021
Сообщения
7,351
Реакции
3,802
Репутация
167
Страна
Україна
Город
Бердянськ
Предупреждений
1
Даже не в конкретном экземпляре дело.
Стенд с одними условиями, а конкретная схема с совершенно другими.
Разница может быть не то что в разы - на порядки.
К примеру, какие частотные свойства будут у П217, если ВК будет по каскодной схеме?
 
Регистрация
12 Ноя 2019
Сообщения
28,303
Реакции
13,620
Репутация
395
верхний этаж- повторитель с наилучшими частотными свойствами. Внизу -худший из всех, схема с ОЭ. ООС упирается, стараясь их помирить и заставить трудиться. Получается плохо. Особенно если один из двух- тормоз.
Аркадий! Открою вам тайну. Вы-тормоз. ....Какую?
 

slami

1 ранг
Регистрация
15 Янв 2021
Сообщения
1,417
Реакции
1,121
Репутация
58
Возраст
53
Страна
Россия
Город
Иркутская обл.
Имя
Вячеслав
Нет 216-го, взял 217й, то же самое. Внизу ГТ 906- бежит за сотку килогерц, меанд красавец. Стоило внизу поставить 214-й , как уже на 12-15 кгц меандр уродуется, на 20 и выше вырождается в расческу, синус валится уровнем, потом пила .
В общем, кто внизу, тот и царь горы. Кто наверху- неважно.
Нужно учесть, что в моей схемке есть резистор по питанию, аж 20 Ом, не дает взлететь току покоя, в случае сквозного тока, например. И что было бы с АВшником - не знаю.
Интересно, получается верхний работает в схеме с общим коллектором как повторитель, а нижний с общим эмиттером в режиме усиления, вот ему-то и нужна повышенная частота транзистора. Так этож экономия получается, допустим есть 2 высокочастотных транзистора и их хватает на стереоусилитель, а так как низкочастотных как грязи...
 
Регистрация
12 Ноя 2019
Сообщения
28,303
Реакции
13,620
Репутация
395
Интересно, получается верхний работает в схеме с общим коллектором как повторитель, а нижний с общим эмиттером в режиме усиления, вот ему-то и нужна повышенная частота транзистора. Так этож экономия получается, допустим есть 2 высокочастотных транзистора и их хватает на стереоусилитель, так как низкочастотных как грязи...
Сам сижу, перевариваю результат)))) И думы о том же.
Но и внизу все неплохо. 20 Ом база-эмиттер, ток драйвера под 40 мА. Транзисторы открыты . Класс А, ПАНИМАИШЬ!.....
 

NEULO

1 ранг
Регистрация
14 Июл 2019
Сообщения
3,792
Реакции
1,925
Репутация
93
Возраст
52
Страна
Россия
Город
Одинцово
Предупреждений
4
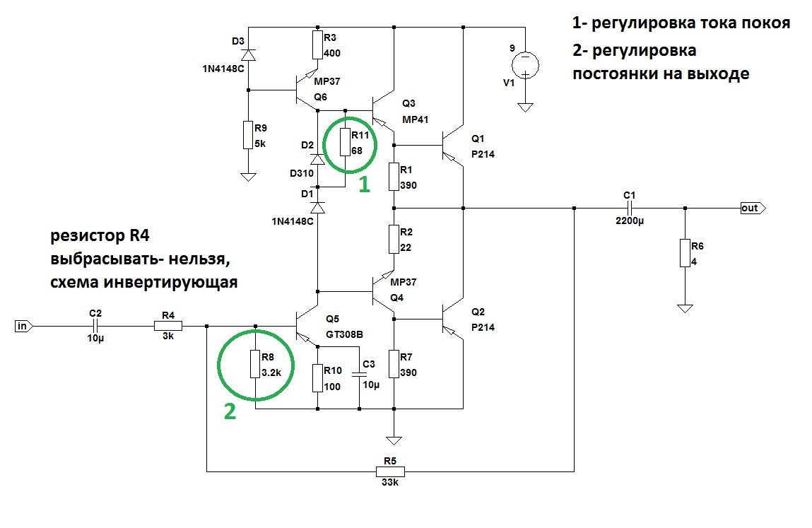
Предлагаю товарищу ABK просто проверить всё на практике, благо времени много на сборку - не уйдёт.
ГЕ_инверт.jpg
 

slami

1 ранг
Регистрация
15 Янв 2021
Сообщения
1,417
Реакции
1,121
Репутация
58
Возраст
53
Страна
Россия
Город
Иркутская обл.
Имя
Вячеслав
Нашел свои замеры https://ldsound.club/threads/vybor-tranzistorov-dlja-usilitelja.643/post-33316
ради эксперимента взял ещё низкочастотный германиевый П210Б в качестве PNP выходного
П210Б - 4,1 кГц (0,4А-ОЭ), 20 кГц (0,4А-ОК)
Сходится!

Предлагаю товарищу ABK просто проверить всё на практике, благо времени много на сборку - не уйдёт.
Посмотреть вложение 80536
Не поделитесь моделями наших мощных германиевых транзисторов, да и кремниевых наших, если модели хорошие?
 

Динозавр

1 ранг
Регистрация
31 Янв 2023
Сообщения
2,929
Реакции
865
Репутация
52
Страна
Россия
Город
станица Пашковская
Имя
Александр
Предупреждений
3
Худ69 на вч работает как однотакт с динамической нагрузкой?
Вверх можно поставить мосфет (как в Над310).
 
Последнее редактирование:

Последние сообщения

Статистика форума

Темы
3,068
Сообщения
234,463
Пользователи
2,375
Новый пользователь
Sergovlad
Сверху Снизу