Александр Бокарёв
1 ранг
- Регистрация
- 12 Ноя 2019
- Сообщения
- 30,384
- Реакции
- 15,438
- Баллы
- 395
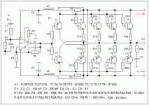
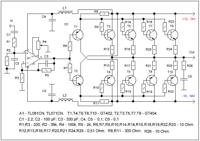
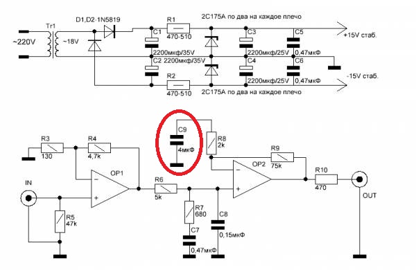
Схема преда и выходника феерические по набору косяков.(пост 6.180)
Смотрите видео ниже, чтобы узнать, как установить наш сайт в качестве веб-приложения на домашнем экране.
Примечание: Эта возможность может быть недоступна в некоторых браузерах.
Если делать как УНЧЬ для электрогитары, то нормуль будет: чем больше и толще гармоник, тем звук перетянутой струны сочнееСхема преда и выходника феерические по набору косяков.(пост 6.180)
Я сегодня вот эту схемку с интересом разглядываюСхема преда и выходника феерические по набору косяков.(пост 6.180)

В этой схеме совмещены УНЧ и известный генератор для определения резонансной частоты динамика 🦉Я сегодня вот эту схемку с интересом разглядываю![]()
А хвалят Кертинги 821
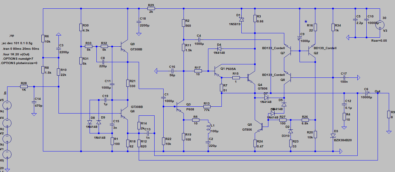
Собирать быстро не получится. Надо ещё Акорд закончить, чтоб под ногами не валялся и ещё два макета на лампах рядом стоят.я так и думал,годится ,можете с ОК делать,а можно и с ОЭ
ток п605а можно делать хоть 150ма,больше не надо провод будет греться,плотность тока до 4а\ммкв нормально

Это когда в чудо симулятор загружается схема УНЧ.И она (программа симулятора) на основе моделирования усиления синусоидального сигнала (который к стати ни разу не музыкальный сигнал) показывает уровень и спектр искажений данного УНЧ (причём АС и её отклик, провалы и подъмы сопротивления и др. параметры не учитываются .А дальше?...А дальше включается фантазия симуляторщика ,которая подсказывает ему ,что нужно максимально снизить искажения ,максимально углубив OOC на сколько позволяет данная схемотехника,детали и программа.И когда после длительного ананизма симулятор начинает показывать ,что ваш теоретический УНЧ уже имеет 0.000001% искажений,то у симуляторщика начинается оргазм и счастье ,тк. он добился идеального звука ! После этого симуляторщик свой усь называет самым звучащим и самым лучшим,а всех кто с ним не согласен называет тупым,глухим и не образованным!Ведь теперь у него появились "железные" основания так говорить и оскорблять других он теперь имеет полное моральное право .Не 1 раз доводилось читать про "слушание через симулятор".
ЭТО КАК?
Может есть метода какая звуковой оценки симулируемой схемы?
Если стабилизировать ток покоя внешними цепями, то можно и класс А, а лучше Экономичный А, с током покоя 200-250 мА. Как это работает написано здесь. На основе этой идеи насимулил такой германиевый однотакт, где в отличие от прототипа, в активном режиме оба выходных транзистора. Глубина общей ООС во всём звуковом диапазоне 66db (плюс 20-26db местной в ВК). В цепи сигнала только германиевые транзисторы, кремниевые - в цепи управления ИТ. Ток покоя выходников практически не зависит от температуры (увеличивается на 1 - 2% при разогреве до 90 гр.). Ток покоя зависит от температуры токового зеркала в цепи управления, поэтому эти транзисторы должны иметь тепловую связь и устанавливаться на отдельный небольшой радиатор. С клипом и psrr всё отлично. Добавил картинку интермодов мультитонового сигнала.Самая злая проблема это стабильный ток покоя в режиме А у германия.


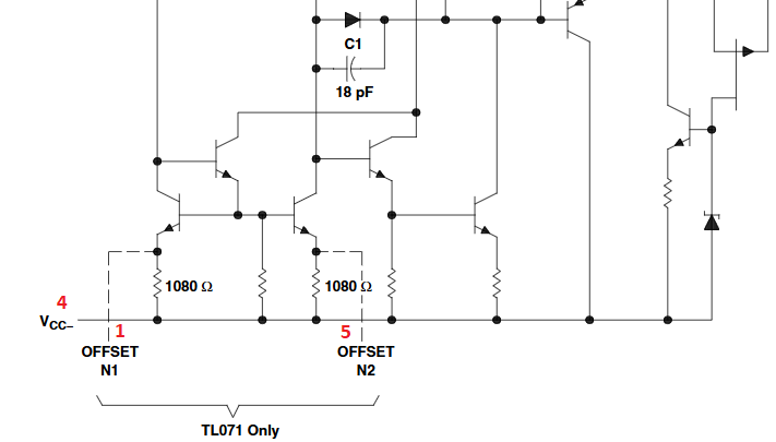
Я их пробовал ставить, но они возбуждались. Не хотелось возиться с возбудом, поставил ТЛ071 и забыл о возбудах. Можете попробовать потрахаться с 544УД2, я поленился.544УД2 в первую очередь.
Точно уже не помню, но в теме вся инфа есть. Даже есть фотка с измерениями ГТ402/404.Транзисторы с какой β предпочтительны
Больше 14 В не стОит поднимать. У меня питание организовано от двух ИИП на 12 В/2А. Рекомендую.можно ли вырулить на увеличении напряжения питания с соответствующими транзисторами выходную мощность.
По Шкритеку ГТ402 при соответствующем радиаторе может выдержать макс. 3 Вт. Значит в одном плече на 4-х транзюках получится 12 Вт + 12 Вт другого плеча. А если слушать на Кинапах, это будет вААще красота.Да, в теме есть, как я германцы уложил в один радиатор.один раз потрахаться с радиаторами зато позабыть об апгрейдах.
Да, можно общую ООС забабахать. Это как кому нравится.Есть раздолье и для ОООС-ников введением ее.
Согласен.Еще бы были 402 такими же линейными как 404,
Так вот откуда ноги растут.Проще делитель ООС оторвать от земли емкостью, балансировка не нужна.

Угу. И не только отсюда. В лампе такой финт работает по экранирующей сетке. Шикарно.Так вот откуда ноги растут.![]()
![]()
![]()
Ну почему же исключение.Еще бы были 402 такими же линейными как 404, эта схема была бы идеал! Но увы, 404 это исключение из всех.

