S-90 своими руками. Советы, рекомендации...

Пропаяете провода,в колечки и зажмёте. И хорошо.На Ваш век хватит.
 
Большое спасибо, буду осмысливать. Используя Ваши предложения по фильтрам к С-90, есть необходимость применить в качестве СЧ динамика в корпусе от С-70 известный 5ГДШ5-4 (ну просто других нет, этот идеально становится). Нашел вариант СЧ фильтра 1 порядка-резистор 5 Ом, конденсатор 10 мкФ и катуха 0,7 мГн, все последовательно. Думал поиграться с резистором, микрофон имеется, и спектралаб тоже. Хочется предусмотреть, чтобы этот динамик не сгорел на больших мощностях-кто знает, сколько захочется навалить...
Как-то конденсатор маловат, ему бы микрофарад - 70, да и резистор побольше.
 
Как-то конденсатор маловат, ему бы микрофарад - 70, да и резистор побольше.
так первый порядок, и нагрузка 10 Ом, а то и более, и мощность куриная...
По советам АБ, если на НЧ фильтре родная катуха и конденсаторы 90 мкФ через резистор 6 Ом, НЧ динамики имеют пологий спад характеристики
 
Устал отвечать, но отвечу. Из набора динамиков от S90 годятся в звук НЧ и СЧ , с доработкой фильтров. Пищалу придется купить, родная, как бы так в пределах рамок цензуры- ни в задницу.

так первый порядок, и нагрузка 10 Ом, а то и более, и мощность куриная...
По советам АБ, если на НЧ фильтре родная катуха и конденсаторы 90 мкФ через резистор 6 Ом, НЧ динамики имеют пологий спад характеристики
В емкостную ветку НЧ фильтра, в 90 мкф , врезаем резистор Ом на 6-8. Получаем первый порядок с Цобелем, свободный живой незадавленный бас . Дальше по схеме, которую ещё отыскать.
Но уже можете врезав резистор , взять и послушать тот новый бас. Потом поделиться. Если есть чем услышать.
 
так первый порядок, и нагрузка 10 Ом, а то и более, и мощность куриная...
По советам АБ, если на НЧ фильтре родная катуха и конденсаторы 90 мкФ через резистор 6 Ом, НЧ динамики имеют пологий спад характеристики
Если я правильно понял, то фильтр, найденный вами для динамика 5ГДШ-5-4 выглядит следующим образом: "+" - "резистор" - "емкость" - "индуктивность" - "динамик" - "-". Влияние резистора можно представить как "очень хреновые провода" и изначально расчитывать фильтр, взяв за основу изменения частотной характеристики и сопротивления самого динамика, тем более что номинал резистора выбран без учета затухания вносимого катушками индуктивности НЧ и СЧ фильтров и реальной АЧХ. Либо использовать делитель, который помимо уменьшения уровня сигнала, частично выполняет роль цепи Цобеля, "дисциплинируя" изменения импеданса динамика. Несколько настораживающих моментов: попытка запрячь "коня и трепетную лань", то есть созвучность или характер звукоизвлечения у 75ГДН и 5ГДШ немного разные и на стыке могут возникнуть "разночтения". Если задача не в том что "лишь бы сунуть", попробуйте подыскать или 20ГДС или Alphard 1300, они недорогие и хорошо себя чувствуют в небольшом объеме изолирующего бокса. И фильтры для них, уважаемый А.Б. уже "выстадал":).(Пищалку все равно менять). Объем корпусов? Если S-70 в рабочем состоянии, с родным усилителем, работающим датчиком ЭМОС, тогда "счастье", во всех других случаях, корпус безнадежно мал.
 
Если задача не в том что "лишь бы сунуть", попробуйте подыскать или 20ГДС или Alphard 1300, они недорогие и хорошо себя чувствуют в небольшом объеме изолирующего бокса. И фильтры для них, уважаемый А.Б. уже "выстадал":).(Пищалку все равно менять). Объем корпусов? Если S-70 в рабочем состоянии, с родным усилителем, работающим датчиком ЭМОС, тогда "счастье", во всех других случаях, корпус безнадежно мал.
Спасибо за ответы, задача стояла в корпусе от С-70 организовать АС, НЧ динамик родной, будет подключен именно так, как советует АБ, ВЧ твиттер Альфард 318 через соответствующий фильтр, прослушивая в "двухполосном" варианте обнаружил, что для полноценной середины не хватает всего самой малости. Приобретать специально, как правильно указывают коллеги, и с этим полностью согласен, 1300 или 20гдс нет смысла и возможности. Нашел на просторах нета такую схему
ВЧ у меня подключены 2 порядком, мощность позволяет. Вполне отдаю себе отчет о "КАЧЕСТВЕ" будущей АС, стенки обклеил вибропоглотителем и натолкал звукопоглотителя. Буду дальше экспериментировать, всем спасибо и с весной вас всех!!!
 

Вложения

  • papirus.jpg
    papirus.jpg
    46.3 KB · Просмотры: 575
Спасибо за ответы, задача стояла в корпусе от С-70 организовать АС, НЧ динамик родной, будет подключен именно так, как советует АБ, ВЧ твиттер Альфард 318 через соответствующий фильтр, прослушивая в "двухполосном" варианте обнаружил, что для полноценной середины не хватает всего самой малости. Приобретать специально, как правильно указывают коллеги, и с этим полностью согласен, 1300 или 20гдс нет смысла и возможности. Нашел на просторах нета такую схему
ВЧ у меня подключены 2 порядком, мощность позволяет. Вполне отдаю себе отчет о "КАЧЕСТВЕ" будущей АС, стенки обклеил вибропоглотителем и натолкал звукопоглотителя. Буду дальше экспериментировать, всем спасибо и с весной вас всех!!!
Если речь про "именно так" , то примерно так
 

Вложения

  • papirus AБ.jpg
    papirus AБ.jpg
    79.9 KB · Просмотры: 532
Спасибо за ответы, задача стояла в корпусе от С-70 организовать АС, стенки обклеил вибропоглотителем и натолкал звукопоглотителя. Буду дальше экспериментировать, всем спасибо и с весной вас всех!!!
Похоже все дело именно в этом.
 
Снова здрасьте! Может, кому интересны мои изыскания, кратко отчитаюсь.Спасибо Бокареву Александру и всем откликнувшимся. Микрофон многое показал. Первый порядок по СЧ был отвергнут, должен быть более крутой спад по нижнему срезу. За основу взял родную схему фильтра, добавлен резистор на выходе чтобы получить расчетную нагрузку 8 Ом, на входе тоже пришлось поставить 6 Ом для выравнивания тонального баланса. Вобщем, получилась такая картинка, по поводу низкочастотной части прошу снисхождения-в комнате тесно, моды и все такое прочее...

Снимок.JPG
 
Последнее редактирование модератором:
Ну как то так...Такой маленький уровень сигнала от того, что я микрофон включаю в линейный вход через адаптер фантомного питания 48 вольт. В принципе, мне важны относительные, а не абсолютные показания
Снимок2.JPG
 
Подавился кофеем)))) Если синеньким у вас средник, то почему он бежит наперегонки с пищалкой до самых 12 кил?
 
Я ж вроде как и сч фильтр намулякал, там с катухой 0,7 мГн ну никак не должно было ускакать за 10 кил.....Что-то автор темнит.
 
Это с катухой 0,5 мГн (пока идут эксперименты, подключены две последовательно по 0,24 мГн), после них гасящий резистор 4,7 Ома и Цобель-конденсатор 6,8 мкФ+ резистор 5,1 Ом. Катушку на СЧ буду мотать новую, с запасом, а пик на 15 кГц мне совсем не мешает, учитывая возрастное ухудшение слуха на высоких

Конечно, имея таких знаменитых консультантов, недостойно удовлетворяться несовершенными результатами. Короче, я исправлюсь:)

Да, пищалки оказались 4-омными
 
Кстати говоря,по поводу с90 и его конструктива расположения динамиков на панели.НЧ и СЧ утоплены,а ВЧ поверх панели,да и ещё торчит немного.
Этот факт акустического согласования(или не) по фазе "обговорён" с родными фильтрами и их порядками в плане суммарного(акус+электрич) фазового согласования ? Или тупо что так проще крепить было? Или всё же кто созидал с90 были умнее чем я предполагаю?
Вот эта картинка из одной интересной статьи покоя размышлениям не даёт.Или забить и привыкать к чему есть как к неизбежному?
Screenshot_2021-02-14-22-50-54-1.png
 
на 35АС-1 пищалка утоплена, крепится с обратной стороны панели, а в С-90 вероятно решили не заморачиваться - "и так сойдет" (с)
 
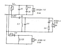
Вот примерный фильтр 2-го порядка для 35ГДН-1-8, 5ГДШ4-4 (4ГД53), 4ГДВ1-8 (3ГД47).
5ГДШ4-4 обработан герленом и снабжен ПАС. Ну и бокс 0,7 л, заполненный ватой.
Вместо аттенюаторов применены переменные резисторы для точной настройки чувствительности. Полосы раздела 500 и 5000 Гц. Я правда делил на частоте 7500-8000 Гц.
 

Вложения

  • d329a93.jpg
    d329a93.jpg
    72 KB · Просмотры: 397
Кстати говоря,по поводу с90 и его конструктива расположения динамиков на панели.НЧ и СЧ утоплены,а ВЧ поверх панели,да и ещё торчит немного.
Этот факт акустического согласования(или не) по фазе "обговорён" с родными фильтрами и их порядками в плане суммарного(акус+электрич) фазового согласования ? Или тупо что так проще крепить было? Или всё же кто созидал с90 были умнее чем я предполагаю?
Вот эта картинка из одной интересной статьи покоя размышлениям не даёт.Или забить и привыкать к чему есть как к неизбежному?Посмотреть вложение 12108
В книге Батя С.Д. отдельный раздел по этой теме отведен. Но он согласует разное положение динамиков в самом фильтре. Но измерения до см вычитывает положение каждого динамика до центра прослушивания.
 
Кстати говоря,по поводу с90 и его конструктива расположения динамиков на панели.НЧ и СЧ утоплены,а ВЧ поверх панели,да и ещё торчит немного.
Этот факт акустического согласования(или не) по фазе "обговорён" с родными фильтрами и их порядками в плане суммарного(акус+электрич) фазового согласования ? Или тупо что так проще крепить было? Или всё же кто созидал с90 были умнее чем я предполагаю?
Вот эта картинка из одной интересной статьи покоя размышлениям не даёт.Или забить и привыкать к чему есть как к неизбежному?Посмотреть вложение 12108
#3 в помощь. Опосля сочиняете фильтры, дающие ровно 180° (или ровно 0°) разницы по фазе между напряжениями на стыкуемых динамиках. Получаете фазолинейную АС...
 
Применяя 5ГДШ-4 в роли средника, нужно сразу менять задачу на новую, по имени Ширик с костылями по краям. Потому что грех терять такие возможности нового средника, -он и вверх тебе и вниз, а товарищи - поддержат , если что. Если смогут. Если снизу на 300-500Гц ещё пойму и соглашусь, то стык на 7 и выше- большие сомнения в том звуке, о котором речь.
В 70-е прокатило бы, тогда слаще морковки ничего не ели. А сейчас есть с чем сравнить. И померить. И усомниться.
 
#3 в помощь. Опосля сочиняете фильтры, дающие ровно 180° (или ровно 0°) разницы по фазе между напряжениями на стыкуемых динамиках. Получаете фазолинейную АС...
Я вот что встретил на эту тему.Как бы не трудно добываемая инфа,но думаю пригодится.
Screenshot_2020-08-10-14-23-03-1.png
 
Не увидев лично поведения динамиков на экране, осталось читать мудрую хрень от разных мурзилок. Самим не смешно? Цитировать чужую лажу, которую вы ни кивнуть - ни опровергнуть не можете. Бросьте. барин, ерундой маяться. делом займитесь))))
 
Не увидев лично поведения динамиков на экране, осталось читать мудрую хрень от разных мурзилок. Самим не смешно? Цитировать чужую лажу, которую вы ни кивнуть - ни опровергнуть не можете. Бросьте. барин, ерундой маяться. делом займитесь))))
Занимаюсь))) завтра за заветными 544уд2 в золоте и пластике укачу и ещё за некими полезными плюшками) импортный аналог наших 814-819 и вправду цацами оказались, загляденье)

Как бы инфа-то верная)
Длинна волны 1кГц-34см-это 360°.множим-делим и выходит что
90°-это 8.5см) ну почти не обманул человек.Думаю в остальном тоже не накосячил.
 
Последнее редактирование:
Занимаюсь))) завтра за заветными 544уд2 в золоте и пластике укачу и ещё за некими полезными плюшками) импортный аналог наших 814-819 и вправду цацами оказались, загляденье)

Как бы инфа-то верная)
Длинна волны 1кГц-34см-это 360°.множим-делим и выходит что
90°-это 8.5см) ну почти не обманул человек.Думаю в остальном тоже не накосячил.
Надев утром сапоги на свежую голову, соглашусь. Сдвиг пищалы вглубь относительно фронтпанели примерно на дюйм(два пальца) выравнивает суммарную ачх на стыке в районе 2500-3000Гц. Лично убедился.
 

Вложения

  • b.jpg
    b.jpg
    555 KB · Просмотры: 268
Добрый вечер всем! Может кто подскажет, у меня стандартный фильтр S90. Хочу подключить все динамики (без делителей) напрямую, но вот схем читать не умею. Подскажите по-простому, на какие клеммы из от 1 до 6 подключить какие динамики? И на какие клеммы подключить общий вход "+" и "-"? Буду всем очень признателен, потому как сижу и просто завис с этой схемой. На фото выделены мои клемы.
 

Вложения

  • s90_ldsound-6.jpg
    s90_ldsound-6.jpg
    183.1 KB · Просмотры: 660
3-вч,6-сч.2-нч.4-общий всем.Точечка у вывода каждого динамика указывает на соблюдение фазировки.
Негоже лезть в эту тему не разбираясь в такой элементарщине..
 
3-вч,6-сч.2-нч.4-общий всем.Точечка у вывода каждого динамика указывает на соблюдение фазировки.
Негоже лезть в эту тему не разбираясь в такой элементарщине..
Я так и хотел все сделать, но только 3 клему подключить к "+" ВЧ. Но потом решил перестраховаться и спросить совета на форуме, думаю многие тут перепаяли не один десяток подобных колонок
 

Статистика форума

Темы
3,301
Сообщения
262,563
Пользователи
2,545
Новый пользователь
vlad'mir
Назад
Сверху Снизу